Izdelki
Tečaj omare za ograje
  • Tečaj omare za ograjeTečaj omare za ograje
  • Tečaj omare za ograjeTečaj omare za ograje
  • Tečaj omare za ograjeTečaj omare za ograje
  • Tečaj omare za ograjeTečaj omare za ograje
  • Tečaj omare za ograjeTečaj omare za ograje

Tečaj omare za ograje

Yitai Lock izdeluje ograjene omare, da kupci zadovoljijo različne potrebe. Tečaji omare so zunanji tečaji, ki se uporabljajo za električne omrežne omare, izdelane iz cinkove zlitine ali nerjavečega jekla.


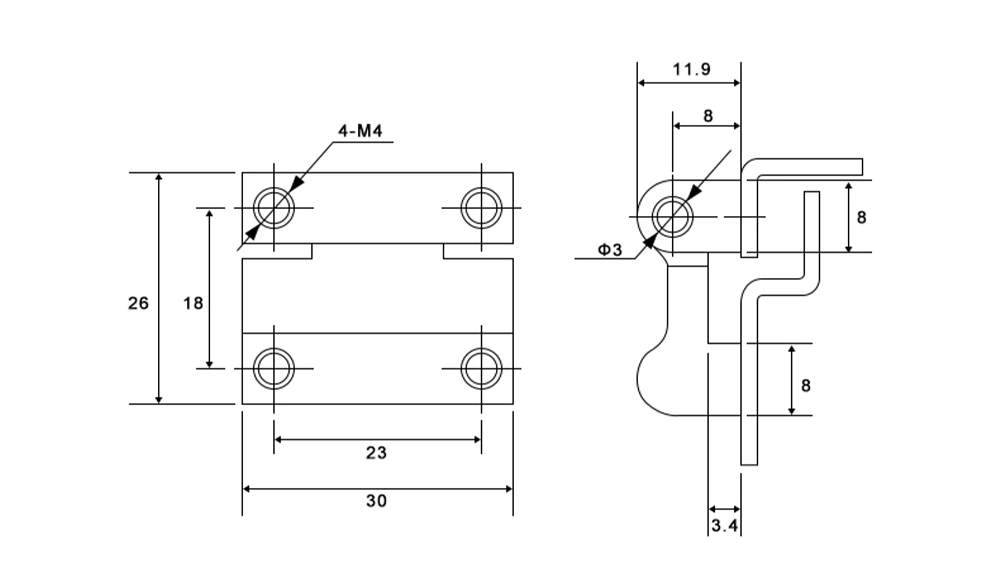
Model izdelka Serija tečajev CL234
Površinsko obdelavo Razpršilna prevleka/kromirana obloga/žica iz nerjavečega jekla
Selektivna barva Originalna barva mat/črno/črno/nerjavno jeklo
Neobvezni materiali Cinkova zlitina/nerjavno jeklo
Uporaba Primerno za različne vrste stikalnih omar, krmilnih škatel,


Yitai Lock izdeluje tečaje omare za ohišje za težke industrijske omare. Tečaji omare so trdni in trpežni, ki lahko vzdržijo pogoste operacije odpiranja in zapiranja, zaradi česar so primerne za vzdrževanje opreme in proizvodnje ter odporne proti deformaciji.


Videz in material:

Tečaj ohišja omare je izdelan iz nerjavečega jekla ali cinkove zlitine.    Prav tako lahko sprejmemo barvno prilagoditev, pošljite nam podrobnosti. In na izbiro imamo več zaključkov: originalno barvo iz črne, mat, svetlega kroma in iz nerjavečega jekla.


Razširljivost:

Tečaji omare za ograje je mogoče naknadno opremiti z blažilnikom (za počasno zapiranje in tišino), napravo za ponastavitev vzmetne napolnjene (za samodejno zapiranje) in varnostno ključavnico (za preprečevanje nepooblaščenega odpiranja). Podpira modularno zasnovo, npr. Roke ali baze tečajev lahko hitro zamenjate, ne da bi odstranili celotno ploščo vrat.

Tečaj ohišja omare je mogoče prilagoditi s posebnimi prevlekami (antistatična, visokotemperaturna barva), graviranje logotipa (logotipi blagovnih znamk).


Prijave

Tečaji omare za omrežje za vrata omrežne omare se uporabljajo predvsem v omrežnih omarah podatkovnih centrov, industrijskih krmilnih škatlah, omarah zunanje komunikacijske bazne postaje in vratih za distribucijo električne energije. Ponuja zanesljivo podporo za opremo podatkovnih centrov, industrijski nadzor ali sistem za distribucijo električne energije, da se zagotovi dolgoročno stabilno delovanje opreme.

Enclosure Cabinet HingeEnclosure Cabinet HingeEnclosure Cabinet HingeEnclosure Cabinet HingeEnclosure Cabinet HingeEnclosure Cabinet HingeEnclosure Cabinet HingeEnclosure Cabinet HingeEnclosure Cabinet HingeEnclosure Cabinet HingeEnclosure Cabinet Hinge


Pogosta vprašanja

V: Kateri materiali so na voljo za tečaj omare za ograje?

O: Ponujamo dva standardna materiala, nerjavno jeklo in zlitino cinka. Nerjaveče jeklo je zelo odporno proti koroziji, medtem ko je cinkova zlitina cenejša in primerna za površinsko oblogo.


V: Kateri so bolj trpežni tečaji iz nerjavečega jekla ali cinkove zlitine?

O: tečaji iz nerjavečega jekla delujejo bolje v vlažnem in zelo korozivnem okolju (npr. Zunanji, kemični prizori); Cinkove zlitine so ekonomične in praktične, primerne za skupne omare, površinska plošča pa poveča odpornost na rjo.


V: Ali podpira nestandardno velikost ali posebno prilagoditev oblike?

O: Nekateri modeli podpirajo prilagoditev, potrebne so podrobne zahteve.


V: Kakšni so površinski zaključki za tečaje?

O: tečaji iz nerjavečega jekla so privzeto krtačene ali polirane; Cinkova zlitina je lahko nikljana, kromirana, praškasta obložena itd., Da bi zadovoljila potrebe estetike ali preprečevanja rje.


V: Kakšna je najmanjša količina naročila (MOQ)?    

O: MOQ je običajno 100 sklopov, prilagojeni modeli se prilagodijo glede na zapletenost postopka, majhne količine ali potrebe vzorce nas lahko kontaktirajo tudi.






Hot Tags: Tečaji omare za ograjene omare, dobavitelj industrijskih tečajev, tečaji cinkove zlitine, kitajska proizvajalec Yitai Lock
Pošlji povpraševanje
Kontaktne informacije
  • Naslov

    Št. 16, cesta Jingyun, industrijski park Jingshan, Huanghua, mesto Yueqing, provinca Zhejiang, Kitajska

Za poizvedbe o zaklepanju strojne opreme, tečaju strojne opreme, strojni ročici ali ceniku, nam prepustite e -poštno sporočilo in v 24 urah bomo v stiku.
X
We use cookies to offer you a better browsing experience, analyze site traffic and personalize content. By using this site, you agree to our use of cookies. Privacy Policy
Reject Accept